Passer au contenu principal

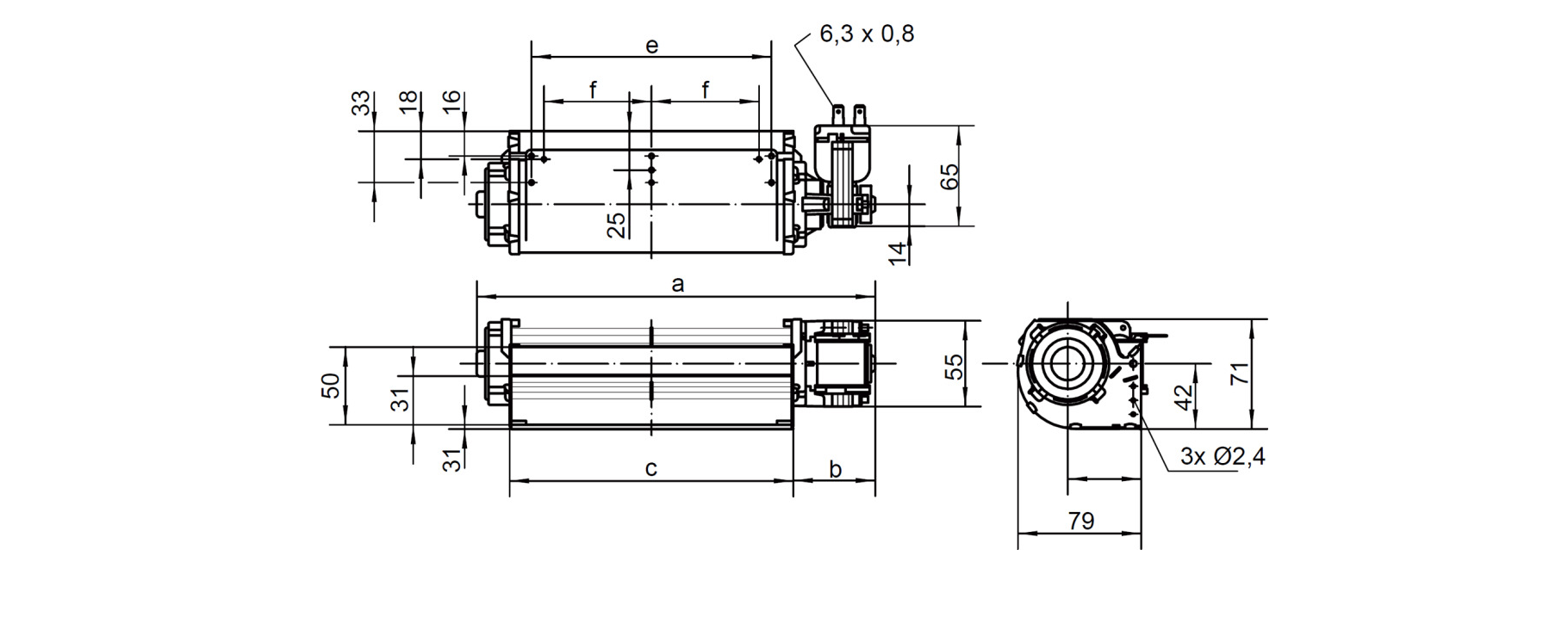
VENTILATEUR À TURBINE QLK45-1818 EBMPAPST AVEC MOTEURS AU CENTRE

Informations sur le produit "VENTILATEUR À TURBINE QLK45-1818 EBMPAPST AVEC MOTEURS AU CENTRE"

Specifiche tecniche:
Pressione : Max. Raccolta della pressione 67 Pa.
Frequenza di lavoro: 50 Hz.
Consumo di energia: 26 W.
Consumo di energia: 245 mA.
Tensione di alimentazione: 230/1/50 V / Ph / Hz.
Peso netto: 0,85 kg .
Velocità di rotazione: 2350 min-1.
Dati dei fan: Flusso d'aria 125 m³ / h.